服务热线: 19505256258
Welcome To  Yangzhou Xinhongnuo Environmental Protection Technology Co.,Ltd.
扬州鑫弘诺环保科技有限公司
Yangzhou Xinhongnuo Environmental Protection Technology Co.,Ltd.
产品搜索:      空气流量指示器      丨      气体检测      丨      调流平衡阀      丨      接头      丨      防振

双法兰蝶阀 BFV-DEB

  
DOUBLE FLANGE BUTTERFLY VALVE (ECCENTRIC TYPE)
双法兰蝶阀
SPECIFICATION 规格
DOUBLE ECCENTRIC TYPE ・  FLANGED TO BS 4504 PN10/PN16
FACE-TO-FACE DIMENSION TO ISO 5752/BS 5155/BS EN 593
DOUBLE-STAGE WORM GEAR OPERATOR
法兰规格符合BS 4504 PN10/PN16
阀门长度符合ISO 5752/BS 5155/BS EN 593
双级传动式蜗轮驱动器
PRESSURE / TEMPERATURE RATINGS 压力/温度等级

Working Pressure 工作压力
16 bar
Testing Pressure 测试压力
Shell(阀体) : 37.5 bar
Seat(阀座) : 27.5 bar
Working Temperature 工作温度
-20˚C to 110˚C (EPDM Seat)
-10˚C to 80˚C (NBR Seat)
Suitable Media 介质
Water, Oil & Gas 水/油/气体

MATERIALS 材质表

Part 部件
Material 材质
BS 英标
Body 阀体
Cast Iron 灰铸铁
Ductile Iron 球墨铸铁
EN-JS 1050
EN-JS 1050
Disc 阀板
Ductile Iron 球墨铸铁
EN-JS 1050
Seat 阀座
EPDM 乙丙橡胶
NBR 丁腈橡胶
Viton 氟胶

Shaft 阀杆
Stainless Steel 410 不锈钢410
Stainless Steel 431 不锈钢431
Stainless Steel 316 不锈钢316
BS970 410 S21
BS970 431 S29
316 S16
Taper Pins 销
Stainless Steel 316 不锈钢316
316 S16
Handle 手柄
Carbon Steel 碳钢

O-Ring O型圈
NBR 丁腈橡胶

Bushing 衬套
Luberized Bronze Luberized 青铜
EN 1982 CC491K

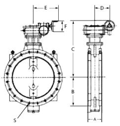
DIMENSIONS 口径尺寸
Size
[mm]
A
[mm]
B
[mm]
C
[mm]
D
[mm]
E
[mm]
F
[mm]
350 127 320 733 200 278 300
400 140 316 770 200 304 300
450 152 344 789 243 304 300
500 152 380 823 243 357 435
600 178 468 998 244 357 435
700 229 530 1052 378 410 435
800 241 602 1112 378 410 435
900 241 661 1264 458 509 435
1000 300 724 1286 458 509 435
1200 350 869 1550 600 709 480



SPECIFICATION 规格
SINGLE ECCENTRIC TYPE ・ FLANGED TO BS 4504 PN10
FACE-TO-FACE DIMENSION TO ISO 5752 / BS 5155 / BS EN 593
DOUBLE-STAGE WORM GEAR OPERATOR
法兰规格符合BS 4504 PN10
阀门长度符合ISO 5752/BS 5155/BS EN 593
双级传动式蜗轮驱动器
PRESSURE / TEMPERATURE RATINGS 压力/温度等级
Working Pressure 工作压力
10 bar
Testing Pressure 测试压力
Shell(阀体) : 15 bar
Seat(阀座) : 11 bar
Working Temperature 工作温度
-20˚C to 110˚C (EPDM Seat)
14˚F to 176˚F (NBR Seat)
Suitable Media 介质
Water, Oil & Gas 水/油/气体

DIMENSIONS 口径尺寸
Size
[mm]
A
[mm]
B
[mm]
C
[mm]
D
[mm]
E
[mm]
F
[mm]
G
[mm]
H
[mm]
J
[mm]
K
[mm]
1400 710 1066 1918 840 722 480 960 1360 1500 600
1600 790 1054 2028 840 722 500 1050 1450 1600 680
1800 870 1164 2294 982 897 500 1197 1740 1900 760
2000 950 1363 2365 987 932 500 1320 2000 2000 848


Note:
1. Actuator mounting fange conforms to ISO 5211 drilling.
2. The butterfy valve can be supplied with electric or pneumatic actuator.
3. Pneumatic actuators are available in spring return or double acting.
4. Micro switch / limit switch box are available upon request.
5. JIS B2239 10K, ASTM CLass100, and other fange standards available upon request.
6. If used for gas application, please consult our sales ofce.
7. Design and specifcations are subject to change without prior notice.
备注 :
1. 驱动法兰按ISO 5211标准。
2. 可选电动、气动执行器
3. 气动执行器有单作用或双作用可选。
4. 可加装限位开关。
5. 可提供JIS B2239 10K,ASTM Class100及其他法兰连接标准的产品。
6. 如应用于气体,请联系我司确认。
7. 设计和规格如有修改,恕不另行事先通知。