服务热线:
19505256258
Welcome To
Yangzhou Xinhongnuo Environmental Protection Technology Co.,Ltd.
在线咨询
网站首页
关于我们
产品中心
新闻资讯
案例展示
联系我们
扬州鑫弘诺环保科技有限公司
Yangzhou Xinhongnuo Environmental Protection Technology Co.,Ltd.
产品搜索:
空气流量指示器
丨
气体检测
丨
调流平衡阀
丨
接头
丨
防振
产品
文章
搜索
网站首页
>>
橡胶防振材
>>
PTM
空气流量指示器
气体检测
调流平衡阀
接头
防振
阀门
其他
PTM
PTM FLOOR MOUNTING RUBBER ISOLATOR
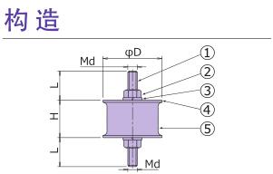
圆 形 橡 胶 防 振 材
用 途
空调设备、水泵架台、加工机器等防振用
产品规格
口径 20mm~150mm
号 码
名 称
材 质
1
固定用螺丝
SS400钢
2
固定用螺母
SS400钢
3
弹簧垫圈
SWRH
4
金属板
SS400钢
5
橡胶本体
合成橡胶
产品型号/性能
型 号
尺 寸 (mm)
静态弹性系数
N/mm(kgf/mm)
额定载荷
N(kgf)
固有振动频率
Hz
φ D
H
L
Md
PTM-01
20
15
18
M6
167 (17)
98~245 (10~25)
23~15
PTM-02
25
18
18
M6
164 (17)
196~392 (20~40)
17~12
PTM-04
35
26
23
M8
181 (18)
294~735 (30~75)
14~8.9
PTM-06
45
34
23
M8
202 (21)
588~1079 (60~110)
11~7.8
PTM-08
55
40
32
M10
290 (30)
785~1716 (80~175)
11~7.4
PTM-09
66
34
37
M12
647 (66)
1373~3138 (140~320)
12~8.2
PTM-10
76
41
37
M12
612 (62)
2550~3923 (260~400)
8.8~7.1
PTM-11
91
49
37
M12
689 (70)
3138~5394 (320~550)
8.4~6.4
PTM-12
112
66
47
M16
842 (86)
4413~9316 (450~950)
7.8~5.4
PTM-13
152
69
52
M20
1821 (186)
7845~19613 (800~2000)
8.7~5.5
※ 防震橡胶动态弹性系数等于静态弹性系数的1.3倍。
安装例
备注
1.如有其他规格要求,请咨询。
2.设计和规格如有修改,恕不另行事先通知。